All Categories
    Menu Close

    24V 3A 75W SMPS Switching Power Supply

    SKU: PH-SMPS-75-24
    $57.62
    ● 24V 3A 75W switching mode power supply supports 110V/220V dual input voltage switching. ● Built-in overload, overvoltage, over-temperature, and short-circuit protection. ● Backed by CE, FCC, RoHS, ISO 9001, and CCC certifications. ● Paired with a user-friendly 90° flip dust-proof terminal cover for secure.
    🚚 Free shipping
    ⏱️ Delivery: 6-12 days
    🔙 30-day Returns
    Overview

    This 24V 3A 75W switching mode power supply delivers unbeatable value with premium quality at an affordable price. Built with a pure copper transformer, high-efficiency smart IC chip, and robust input filter capacitors, it ensures low power loss, high conversion efficiency, and stable voltage output. Equipped with comprehensive protection and a wide 110V/220V input range, it guarantees safe and reliable operation for industrial, LED, and surveillance applications. Certified by CE, FCC, and RoHS, this cost-effective SMPS offers exceptional durability and ease of installation—your best choice for high-quality power solutions at a budget-friendly price.

    24V 3A 60W SMPS Feature

    Feature

    • Wide Input Voltage Compatibility: Supports 110V/220V dual-input voltage switching, making it adaptable to global power standards .
    • Comprehensive Protection System: Built-in overload, overvoltage, over-temperature, and short-circuit protection to safeguard the power supply.
    • Stable & Energy-efficient Performance: Boasts up to 79% conversion efficiency, low heat generation, and energy-saving operation, ensuring consistent, reliable power delivery.
     

    Details

    1. Pure Copper Construction: Features a tightly wound pure copper coil, with thick wire and low resistance, delivering sufficient power output, minimal energy loss.
    2. Premium Grade Capacitors: Equipped with high-quality, industry-leading capacitors, effectively filtering AC ripple and ensuring a stable, clean DC output.
    3. Smart IC Chip Control: Integrated with a smart IC chip, utilizing pulse width modulation (PWM) technology for precise voltage regulation and fast switching control.
    24V 3A 75W SMPS Feature

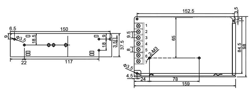
    Dimension (Unit: mm)

    24V 3A 75W SMPS Mounting Dimension

    24V 3A 75W SMPS Dimension

    Wiring Definition

    ADJ +V -V
    Output Voltage Adjustment Connect to Device Positive Terminal Connect to Device Negative Terminal
    L N
    Connect to Ground Wire Live Wire Connection Neutral Wire Connection
    Specs
    Model PH-S-75-24
    DC Output Voltage 24V
    Output Voltage Tolerance ±1%
    Wave & Noise 150mVp-p
    Inlet Stability ±0.5%
    Load Stability ±0.5%
    DC Output Power 75W
    Efficiency 79%
    Adjustable Range for DC Voltage ±10%
    AC Input Voltage Range 85-132VAC/170-264VAC selectable by switch, 47-63Hz, 240-370VDC
    Input Current 2A/115VAC, 1A/230VAC
    AC Inrush Current Cold start current: 20A/115V, 40A/230V
    Leakage Current <3.5mA/240VAC
    Overload Protection 105%~150%, shut off current, automatically restore
    Over Voltage Protection 115%~135% of output voltage
    Temperature Coefficient ±0.03%/°C (0~50°C)
    Setup / Rise / Hold Up Time 800ms, 50ms, 10ms/115VAC; 30ms, 50ms, 80ms/230VAC
    Vibration 10~500Hz, 2G, 10 minutes/cycle, X, Y, Z axes 60 minutes each
    Withstand Voltage Input to output: 1.5KVAC; Input to enclosure: 1.5KVAC; Output to enclosure: 0.5KVAC
    Isolation Resistance Input to output internal, input and enclosure, output and enclosure: 500VDC/100MΩ
    Working Temperature and Humidity -10°C~+60°C, 20%~90%RH
    Store Temperature and Humidity -20°C~+85°C, 10%~95%RH
    Weight 0.5Kg
    Application
    Outdoor Monitoring

    Outdoor Monitoring

    LED Strip

    LED Strip

    Automation Equipment

    Automation Equipment

    Road Sign Light

    Road Sign Light

    FAQ

    Q1: Do you have different power ratings available for this SMPS series?

    Yes, we offer a complete range of power ratings for switching power supply series to meet various application requirements. Customers can choose from different power options according to their actual load and usage scenarios.

    Q2: What protection functions does this SMPS have?

    This SMPS is equipped with comprehensive protection functions, including over-voltage protection (OVP), over-current protection (OCP), short-circuit protection (SCP), and over-temperature protection (OTP), ensuring safe and stable operation in different working conditions.

    0.0 0
    Write your own review Close
    *
    *